华体app登录入口

华体app登录入口 行业资讯 政策法规 产业市场 节能技术 能源信息 宏观环境 会议会展 活动图库 资料下载 焦点专题 智囊团 企业库
节能技术  中国节能产业网 >> 节能技术 >> 节能案例 >> 正文
节能型合成树脂幕墙装饰系统技术
来源:中国节能产业网 时间:2015-5-28 15:26:58 用手机浏览

一、技术名称:节能型合成树脂幕墙装饰系统技术

二、技术所属领域及适用范围:建材行业建筑墙体装饰

三、与该技术相关的能耗及碳排放现状

外墙装饰用幕墙通常使用铝塑板,主要成分为铝材和PE塑料,每m2铝塑板所用资源的生产能耗为20.56 kgce,制造能耗为40.15 kgce。因此,铝塑板幕墙的总能耗为60.71 kgce/m2。

节能型合成树脂幕墙装饰系统由腻子、底漆和涂料构成,每平方米的生产能耗为2.44 kgce,制造能耗折合0.26 kgce。节能型合成树脂幕墙装饰系统的总能耗为2.7 kgce/m2。

与铝塑板幕墙相比,节能型合成树脂幕墙装饰系统可节约58.01 kgce/m2。目前应用该技术可实现节能量39万tce/a,CO2减排约103万t/a。

四、技术内容

1.技术原理

以合成树脂为主要粘结材料,与颜料、体质颜料及各种助剂配制成腻子以及各种涂料,分层施涂在建筑物墙体上,形成具有幕墙外观的建筑装饰层。面层材料具有铝塑板的金属效果和光泽,从而实现对铝塑板的替代。整个系统基于无机改性聚合物,形成了一个有机的整体,保障了涂层系统各构成材料的匹配性和相容性,从而实现整个系统优异的耐候性和稳定性。

2.关键技术

无机改性聚合物的合成技术;各层材料之间的匹配性及相容性的设计与优化技术。

3.工艺流程

工艺流程:基面处理→粗腻子施工→切缝→粗腻子找平→细腻子施 工→抛光腻子施工→中涂施工→面涂施工→分格缝填制→分格缝修色

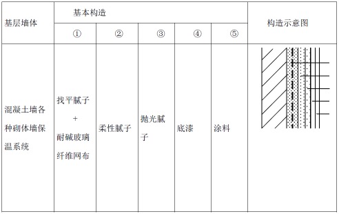
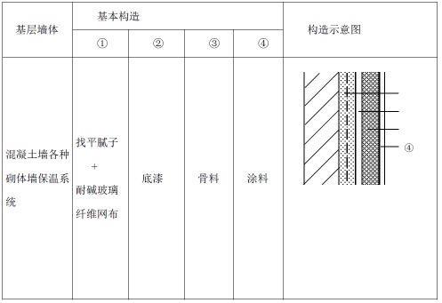
节能型合成树脂幕墙装饰系统的构造如图1和图2所示。

图1 节能型合成树脂幕墙装饰系统基本构造(平面装饰效果)

图2 节能型合成树脂幕墙装饰系统基本构造(立体装饰效果)

五、主要技术指标

耐侯性:表面无裂纹、粉化、起泡、剥离现象;耐冻融(30次循环):

表面无裂纹、空鼓、起泡、剥离现象;耐冲击性:

无裂纹、剥落、明显变形现象;

拉伸粘结强度:≥1.0 MPa

六、技术鉴定、获奖情况及应用现状

该技术已通过建设行业科技成果评估(建科评[2002] 059号),并被列为国家火炬计划项目、国家科技成果重点推广计划、建设部节能省地型建筑推广应用技术目录。该技术已在全国25个省、66个城市得以成功应用,完成约1650万m2外墙面积的工程。

七、典型应用案例

典型用户:国家体育场(鸟巢)、首都国际机场

典型案例1:国家体育场(鸟巢)

建设规模:19000 m2。主要改造内容:建筑外墙装饰。节能技改投资额190万元,建设期4个月。与铝塑板幕墙相比节能1102tce,节能经济效益475万元,投资回收期5个月。

典型案例2:首都国际机场

建设规模:50000 m2。主要改造内容:建筑外墙装饰。节能技改投资额500万元,建设期10个月。与铝塑板幕墙相比节能2900tce,节能经济效益1250万元,投资回收期5个月。

八、推广前景及节能减排潜力

据建设部统计,每年新建公共建筑面积约3亿m2,折算为外墙面积为1.8亿m2。这其中,铝塑板幕墙、大理石幕墙和玻璃幕墙为三种主要的外墙装饰材 料,应用比例达90%以上。铝塑板幕墙的应用面积约为总面积的1/4,即4500万m2。预计未来5年,预期推广比例为10%,节能能力可达130万tce/a,减少 二氧化碳排放343万t。



分享到:
华体app登录入口相关的文章 iTAG:
没有相关技术
频道推荐
服务中心
微信公众号

CESI
关于本站
版权声明
广告投放
网站帮助
联系我们
网站服务
会员服务
最新项目
资金服务
园区招商
展会合作
中国节能产业网是以互联网+节能为核心构建的线上线下相结合的一站式节能服务平台。
©2007-2016 CHINA-ESI.COM
鄂ICP备16002099号
节能QQ群:39847109
顶部微信二维码底部
扫描二维码关注官方公众微信